Варианты сборки

ПРИМЕРЫ ОБОЗНАЧЕНИЯ
Редуктор РМ-500-31,5-12-Квх-Цвых-У1
РМ – тип промышленного редуктора (цилиндрический двухступенчатый горизонтальный)
500 – суммарное межосевое расстояние всех ступеней
31,5 – передаточное число редуктора промышленного
12 – вариант сборки
Квх – конический входной вал
Цвых – цилиндрический выходной вал
У3 – климатическое исполнение промышленного редуктоора
Редуктор Ц2У-315Н-40-11-Квх-М-У2
Ц2У – тип редуктора (цилиндрический двухступенчатый горизонтальный)
315 – межосевое расстояние тихоходной ступени
Н – в редукторе используется зубчатое зацепление с профилем Новикова
40 – передаточное число промышленного редуктора
11 – вариант сборки
Квх – конический входной вал
М – выходной вал в виде зубчатой полумуфты
У2 – климатическое исполнение
Редуктор цилиндрический
Одни из наиболее популярных и востребованных видом редукторов – редукторы цилиндрические. Они относятся к группе общемашиностроительных (отвечающих ГОСТОвским техническим требованиям) и имеют широчайшую сферу применения, благодаря своей универсальности. Как и все редукторные механизмы, цилиндрические редукторы служат передаче крутящего момента с вала на вал с изменением его величины и частоты вращения.
Редукторы цилиндрические подразделяются на одноступенчатые и двухступенчатые горизонтальные. Одноступенчатые горизонтальные выпускаются следующих типов: 1ЦУ 100, 1ЦУ-160, 1ЦУ 200, 1ЦУ-250, ЦУ-200. Горизонтальные двухступенчатые выпускаются 1Ц2У-100, 1Ц2У- 125, 1Ц2У- 200, 1Ц2У-250. Выпускаются так же и цилиндрический зубчатый двухступенчатый горизонтальный редуктор и редуктор трехступенчатый зубчатый узкий горизонтальный Ц3У.
Цилиндрические редукторы Ц2У – современное поколение
Двухступенчатые редукторы оснащены двумя валами: быстрым и тихоходным, что увеличивает их возможности и продуктивность работы. Различаются типоразмеры цилиндрических редукторов, прежде всего, по величине крутящего момента и допустимой нагрузке.
Популярный редуктор Ц2У представляет собой более новую модификацию, редуктор современного типа, наследник своих предшественников типа РМ, РЦД, Ц2 и тому подобное. На практике, редуктор Ц2У успешно используется в различных видах подъемного и транспортного оборудования, автокранах, конвейерах и прочих механизмах специального назначения. Редукторы цилиндрические Ц2У 125, Ц2У 160, Ц2У 200, Ц2У 250 применяются в областях:
- металлургии;
- угледобычи;
- нефте и газодобычи;
- лесозаготовки;
- энергетики;
- строительной индустрии;
- сельского хозяйства;
- машиностроения;
- и так далее.
Востребованная группа редукторов - зубчатые горизонтальные редукторы цилиндрические двухступенчатого типа от Ц2У 125 до Ц2У 250. Различаясь по значению крутящего момента, они могут быть использованы для различных целей.
Данные цилиндрические редукторы могут нести постоянную и переменную нагрузку, с вращением вала в любом направлении, работать в атмосферах с уровнем запыленности, предусмотренным ГОСТами соответствующего профиля, в условиях умеренного климата.
Редукторы отличаются великолепным КПД: 98%. Такие редукторы используются в механизмах для одновременного уменьшения частоты вращения и увеличения крутящего момента. Они способны крутиться в обе стороны, т.е. их можно использовать при постоянной, переменной, реверсивной и одного направления нагрузке. Кроме того, они могут работать постоянно или с периодическими остановками. При этом имеется ограничение частоты вращения вала на выходе: не более 1800 оборотов в минуту. Подбирая редуктор для работы в реверсивном режиме, т.е. при периодическом изменении направления нагрузки, следует снижать указанные в технических условиях крутящие моменты на выходном валу на 30%. Так, например редуктор 1Ц3У-355 имеет номинальный крутящий момент от 12000 до 15000. Значит, при реверсивной нагрузке крутящий момент не должен превышать 10500. При этом номинальное передаточное отношение редуктора 1Ц3У-355 варьируется от 31,5 до 200 в зависимости исполнения. Кратковременные перегрузки, которые возникают при запуске и остановке двигателя, могут превышать номинальные нагрузки в два раза.
ПЕРЕЧЕНЬ Редукторов промышленных цилиндрических в наличии:
---Редуктор цилиндрический
---1цу100-4-21(12) 1шт, 8.000р
---1цу160-4-21(12) 1шт, 13.000р
---1ц2у100-20-21(12) 1шт, 7.500р
---1ц2у100-40-11(22) 1шт, 7.500р
---1ц2у125-31.5-12(21) 1шт, 8.500р
---1ц2у160-10-12(21), 2шт, 13.000р
---1ц2у160-20-11(22), 1шт, 13.000р
---1ц2у200-10-22(11), 1шт, 19.000р
---1ц2у200-10-11КЦ(22), 1шт, 19.000р
---1ц2у200-12,5-21(12), 3шт, 19.000р
---1ц2у200-12,5-22(11), 1шт, 19.000р
---1ц2у200-20-22(11), 1шт, 19.000р
---1ц2у200-20-12(21), 2шт, 19.000р
---1ц2у200-31,5-21(12) 1шт, 19.000р
---1ц2у200-40-22(11) 1шт, 19.000р
---1ц2у200-40-21(12) 1шт, 19.000р
---1ц3у200-100-22(11) 1шт, 22.000р
---1Ц2У250-20-21(12) 2шт-33.000р
---1Ц2У250-31,5-22(11) 2+1шт-33.000р бвбр
---1Ц2У250-31,5-31М(13) 1шт-33.000р
---1Ц2У250-40-22(11) 1шт-33.000р
---1Ц2У250-40-12(21) 1шт-33.000р
---1Ц3У250-31,5-22М(11М) 1шт-37.000р
---1ц2у315Н-16-11(22,12,21) 1шт-45.000р
---1ц2у315Н-50-21(12) 1шт-54.000р
---1ц2у315К-40-22М(11) 2шт-54.000р
---1Ц2У355Н-31,5-12(21) 2шт-65.000р
---1Ц3У355Н-100-11(22) 1шт-85.000р
---1ц2у400Н-25-22(11) 1шт-75.000р
---1Ц2У400НК-25-12М(21,11,22) 2шт 80.000р/шт картерный
---РЦД250-20-12(21,11,22)-3шт-12.000р
---РЦД350-20-11(22)-1шт-19.000р
---РЦД400-40-21М (12)-1шт-29.000р
---РЦД400-40-22М (11)-1шт-29.000р
---РМ250-31,5-12(21)-1шт -9.000р бу
---РМ250-31,5-12(21)-1шт -12.000р
---РМ350-31,5-22КЦ-1шт -16.000р
---РМ500-25-12(21)-1шт -29.000р
---РМ500-31,5-22(11)-1шт -29.000р
---РМ650-50-11М(22М) -1шт-49.000р
---РМ750-35-11(22) -1шт-64.000р
---Ц2-250-40-22(11,12,21)-1шт-17.000р/шт
---Ц2-350-25-11(22,12,21)-1шт-23.000р/шт бу +
---Ц2-350-40-32М(31М)-3шт-29.000р/шт
---Ц2-400-50-32М(31М)-1шт- 49.000р
---Р-400-25-17(28) аналог ГПШ-400-25-17(28) 2шт, 39.000р/шт
---ЦТНД-315-63-12(21) 1шт, 65.000р
---РЦТ-1250-90-31(32) 1шт-190.000р/шт
---Л-600.5 для крановой лебедки, 2шт-55.000р/шт
---ГТ-III-162,8-А, 1шт, 25.000р пер.ч.162 3х-ступ
---ASUG аналог 1ц2у200-25-12 (2100Нм), Герм, фл, d=22, D=55, 15.000р
---Редуктор коническо-цилиндрический к скребковым транспортерам конвейерный
---БПН 55.01.100-07 (передаточное число 22,4) -1шт-95.000р
Цилиндрические редукторы - большая группа редукторов, характеризующаяся применяемым в них зацеплением - цилиндрическими зубчатыми передачами. Группа классифицируется по следующим признакам:
По количеству ступеней (передач в редукторе) - одноступенчатые, двухступенчатые, трехступенчатые, четырехступенчатые;
По расстоянию между осями входного и выходного валов - соосные и редукторы с параллельными валами. Соосными считаются редукторы с расстоянием между осями входного и выходного валов меньшим, чем межосевое расстояние передач, таким образом, соосными могут быть редукторы с числом ступеней от двух и выше, входной и выходной валы этих редукторов направлены в разные стороны;
По способу установки - на лапах, на фланце или насадное исполнение (редуктор с полым выходным валом)
Преимущества цилиндрических промышленных редукторов и построенных на них приводов
1. Высокий КПД редуктора. Цилиндрические зубчатые передачи имеют один из самых высоких КПД. Следствием из этого является энергетическая экономичность этих редукторов. КПД цилиндрической зубчатой передачи, применяемой в редукторах, вне зависимости от передаточного отношения, обычно равняется 98%.
2. Высокая нагрузочная способность. Цилиндрические редукторы соответствующих габаритов способны передавать почти без потерь большую мощность.
3. Низкий люфт выходного вала, вследствие этого кинематическая точность цилинрических редукторов выше, чем червячных.
4. Низкий нагрев вследствие высокого КПД передач – почти вся энергия не рассеивается, а передаётся от источника к потребителю.
5. Обратимость при любом передаточном числе, иначе говоря, отсутствие самоторможения. У любого цилиндрического редуктора можно провернуть выходной вал.
6. Уверенная работа при неравномерных нагрузках, а так же при частых пусках-остановах. Это свойство диктует целесообразность применения исключительно цилиндрических редукторов в приводах дробилок, измельчителей, шредеров и прочих машин с пульсирующими нагрузками на рабочих органах.
7. Высокая надёжность. По информации из Справочника конструктора-машиностроителя В. И. Анурьева, т. 3, стр. 666, издание 2001 г.:
8. Благодаря большой степени вариативности зубчатых передач, имеется возможность подобрать редуктор с наиболее близким к требуемому передаточным отношением.
Применение цилиндрических промышленных редукторов
Благодаря всем своим достоинствам цилиндрический редуктор – лидер по распространённости среди редукторов. Цилиндрические редукторы устанавливаются в приводах измельчителей, мешалок, экструдеров, металлорежущих станков, валкового оборудования и т. д., и т. п.
Ограничений к применению нет, кроме специальных случаев, в которых целесообразнее применение других типов редукторов – например, когда требуется угловая компоновка привода, когда необходимо большое передаточное число в сочетании с небольшими габаритами или когда нужно достичь особой плавности хода приводимого механизма.
При вводе в эксплуатацию нового цилиндрического редуктора с целью удаления металлической мелкой стружки от приработки зубчатых передач после работы редуктора в течение 1-2 смен рекомендуется заменить масло. Перед первым пуском желательно провернуть редуктор вхолостую и затянуть все болтовые соединения на корпусе. Включение редуктора можно производить только после его закрепления. При установке редуктора необходимо предусматривать свободный доступ к пробкам для залива, контроля и слива масла.
При разборке редуктора необходимо снять действие консольных нагрузок на концы валов и отсоединить муфты.
РАЗМЕРЫ И ХАРАКТЕРИСТИКИ ТИПОВ РЕДУКТОРОВ:
Редукторы цилиндрические одноступенчатые горизонтальные 1ЦУ160
конструкция, габариты и присоединительные размеры редуктора 1цу160
| Типоразмер редуктора |
Aw | L | L1 | L2 | L3 | L4 | L5 | H | H1 | h | A | A1 | B | B1 | d |
|---|---|---|---|---|---|---|---|---|---|---|---|---|---|---|---|
| 1ЦУ-160 | 160 | 475 | 405 | 136 | 195 | 218 | 218 | 335 | 170 | 28 | 355 | 125 | 185 | 175 | 24 |
Корпус редуктора и крышка литые чугунные (Корпуса и крышки редукторов малых размеров могут быть изготовлены из алюминиевых сплавов), соединены двумя коническими штифтами и болтами в горизонтальной плоскости. Вал-шестерня (входной вал) вращается на двух конических роликоподшипниках. Вал шестерня находится в зацеплении с зубчатым колесом, напрессованным на выходной вал, который вращается на двух конических роликоподшипниках. Зубчатое зацепление эвольвентное косозубое.
Регулировка подшипников осуществляется набором регулировочных колец и, устанавливаемых между торцом наружного кольца подшипника и закладными крышками. Неподвижные соединения уплотняются прокладками, а выходные концы валов – манжетами.
Для залива масла в редуктор в крышке имеется отверстие, закрытое пробкой. Сливается масло через отверстие в нижней части корпуса, закрытое пробкой. Для контроля за уровнем масла служит контрольная пробка.
Смазка осуществляется из общей масляной ванны: деталей зацепления –окунанием, подшипников – разбрызгиванием.
Основные технические характеристики
| Типоразмер редуктора | 1ЦУ-160 | ||||
| Межосевое расстояние, мм | 160 | ||||
| Номинальное передаточное число | 2; 2,5; 3,15; 4; 5; 6,3 | ||||
| Номинальный крутящий момент, Н*м | 1000 | ||||
| Номинальная радиальная нагрузка на валу, Н | входном | 1000 | |||
| выходном | 4000 | ||||
| КПД, % | 98 | ||||
| Масса, кг, не более | 77,5 | ||||
Примечания:
- при работе в реверсивном режиме, т. е. при периодическом изменении направлений нагрузки номинальные крутящие моменты на выходном валу , указанные в таблице, должны быть снижены на 30 %;
- редукторы допускают кратковременные перегрузки, возникающие при пусках и остановках двигателя, в 2 раза превышающие номинальные нагрузки, если число циклов нагружения быстроходного вала за время действия этих перегрузок не превысит 3Ї106 в течение всего срока службы редуктора;
- номинальные крутящие моменты на выходном валу, указанные для редукторов 1ЦУ-200 и 1ЦУ-250, передаются при струйной смазке;
- номинальная радиальная нагрузка на выходном валу для вариантов сборки 13, 23, 33 и на входном валу - для 31, 32, 33 должна быть уменьшена в два раза.
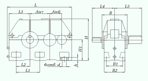
Редукторы цилиндрические двухступенчатые 1Ц2У
Основные параметры редукторов
| Наименование технических характеристик | Типоразмер редуктора | |||||
|---|---|---|---|---|---|---|
| 1Ц2У-100 | 1Ц2У-125 | 1Ц2У-160 | 1Ц2У-200 | 1Ц2У-250 | ||
| Передаточные числа | 8; 10; 12,5; 16; 20; 25; 31,5; 40 | |||||
| Допускаемая радиальная консольная нагрузка, Н | на быстроходном валу | 500 | 750 | 1000 | 2240 | 3150 |
| на тихоходном валу | 4500 | 6300 | 9000 | 12500 | 18000 | |
| Номинальный крутящий момент на тихоходном валу, Н.м | 315 | 630 | 1250 | 2500 | 5000 | |
| КПД | 0,97 | |||||
| Масса, кг | 20 | 32 | 95 | 170 | 320 | |
Габариты и присоединительные размеры редукторов
| Типоразмер | Awт | Awб | A | B | B1 | H | H1 | h | L | L1 | L2 | L3 | L4 | L5 | d |
|---|---|---|---|---|---|---|---|---|---|---|---|---|---|---|---|
| 1Ц2У-100 | 100 | 80 | 290 | 145 | 109 | 225 | 112 | 20 | 386 | 325 | 85 | 132 | 136 | 165 | 15 |
| 1Ц2У-125 | 125 | 80 | 335 | 165 | 125 | 270 | 132 | 22 | 440 | 375 | 106 | 155 | 145 | 206 | 19 |
| 1Ц2У-160 | 160 | 100 | 425 | 195 | 140 | 335 | 170 | 24 | 545 | 475 | 135 | 195 | 170 | 224 | 24 |
| 1Ц2У-200 | 200 | 125 | 515 | 230 | 165 | 420 | 212 | 30 | 670 | 580 | 165 | 236 | 212 | 280 | 24 |
| 1Ц2У-250 | 250 | 160 | 670 | 280 | 218 | 515 | 265 | 32 | 825 | 730 | 212 | 290 | 265 | 335 | 28 |
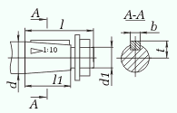
Размеры конических валов редукторов

| Типоразмер | быстроходный вал | тихоходный вал | ||||||||||
|---|---|---|---|---|---|---|---|---|---|---|---|---|
| d | d1 | l | l1 | b | t | d | d1 | l | l1 | b | t | |
| 1Ц2У-100 | 20 | М12х1,25 | 50 | 36 | 4 | 10,6 | 35 | М20х1,5 | 80 | 58 | 6 | 18,55 |
| 1Ц2У-125 | 20 | М12х1,25 | 50 | 36 | 4 | 10,6 | 45 | М30х2,0 | 110 | 82 | 12 | 23,45 |
| 1Ц2У-160 | 25 | М16х1,5 | 60 | 42 | 5 | 13,45 | 55 | М36х3,0 | 110 | 82 | 14 | 28,95 |
| 1Ц2У-200 | 30 | М20х1,5 | 80 | 58 | 5 | 15,55 | 70 | М48х3,0 | 140 | 105 | 18 | 36,38 |
| 1Ц2У-250 | 40 | М24х2,0 | 110 | 82 | 10 | 20,9 | 90 | М64х4,0 | 170 | 130 | 22 | 46,75 |
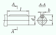
Размеры цилиндрических валов редукторов

| Типоразмер | быстроходный вал | тихоходный вал | ||||||
|---|---|---|---|---|---|---|---|---|
| d | l | b | t | d | l | b | t | |
| 1Ц2У-100 | 18k6 | 36 | 6 | 20,5 | 30m6 | 58 | 8 | 33 |
| 1Ц2У-125 | 18k6 | 36 | 6 | 20,5 | 40m6 | 82 | 12 | 43 |
| 1Ц2У-160 | 22k6 | 42 | 6 | 24,5 | 50m6 | 105 | 14 | 53,5 |
| 1Ц2У-200 | 25k6 | 58 | 8 | 28 | 65m6 | 105 | 18 | 69 |
| 1Ц2У-250 | 35k6 | 82 | 10 | 38 | 85m6 | 170 | 22 | 90 |
Размеры тихоходного вала редуктора в виде полумуфты

| Типоразмер | b | d | d1 | d2 | d3 | L | l | l1 | Зацепление | |
|---|---|---|---|---|---|---|---|---|---|---|
| m | z | |||||||||
| 1Ц2У-160 | 20 | 168 | 90 | 72F8 | 95 | 165 | 9 | 38 | 4 | 40 |
| 1Ц2У-200 | 25 | 210 | 100 | 80F8 | 105 | 192 | 10 | 50 | 5 | 40 |
| 1Ц2У-250 | 30 | 232 | 150 | 120F8 | 170 | 231 | 10 | 50 | 4 | 56 |
На конических концах валов устанавливаются гайки , шпонки, на цилиндрическом конце – шпонки.
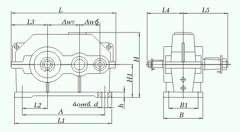
Редукторы цилиндрические трехступенчатые Тип 1Ц3У
Ряд редукторов обеспечивает крутящие моменты на выходном валу 1250...10000 Н-м в диапазоне передаточных чисел 16...200.
Зубчатое зацепление-эвольвентное косозубое.
Смазка осуществляется из общей маслянной ванны: деталей заципления выходной и промежуточной ступеней-окунанием, а деталей заципления входной ступени и подшипников-разбрызгиванием.
Конструкция, габаритные и присоединительные размеры редукторов
| Типоразмер редуктора | Межосевое расстояние | L | L1 | L2 | L3 | L4 | L5 | H | H1 | h | A | A1 | B | B1 | d | ||
|---|---|---|---|---|---|---|---|---|---|---|---|---|---|---|---|---|---|
| Awt | Awn | Awb | |||||||||||||||
| 1Ц3У-160 | 160 | 100 | 80 | 630 | 530 | 136 | 195 | 160 | 224 | 345 | 170 | 32 | 475 | 140 | 206 | 195 | 24 |
| 1Ц3У-200 | 200 | 125 | 100 | 775 | 650 | 165 | 236 | 190 | 280 | 425 | 212 | 36 | 580 | 165 | 243 | 230 | 24 |
| 1Ц3У-250 | 250 | 160 | 125 | 950 | 825 | 212 | 290 | 236 | 335 | 530 | 265 | 36 | 750 | 218 | 290 | 280 | 28 |
Корпус редуктора и крышка литые чугунные соединены в горизонтальной плоскости двумя коническими штифтами и болтами.
Вращательное движение от входного вала-шестерни через зубчатое колесо, напрессованное на промежуточный вал-шестерню, зубчатое колесо, напрессованное на второй промежуточный вал-шестерню, и зубчатое колесо передается на выходной вал. Валы установлены в корпусе редуктора на двух конических ролико-подшипниках, выходной вал на подшипники, промежуточный – на подшипники, второй промежуточный – на подшипники, выходной вал – на подшипники.
Номенклатура и количество подшипников редукторов
| Типоразмер редуктора | Выходной вал | Промежуточный вал | Выходной вал | |||||||
|---|---|---|---|---|---|---|---|---|---|---|
| Конический | Полый | С зубчатым венцом | Тип | Кол-во | Тип | Кол-во | ||||
| Тип | Кол-во | Тип | Кол-во | Тип | Кол-во | |||||
| 1Ц3У-160 | 7311 | 2 | - | - | 7513 | 2 | 7605А 7607А |
2 2 |
7604 | 2 |
| 1Ц3У-200 | 7314А | 2 | 2007120 | 2 | 7517 | 2 | 7606 7609 |
2 2 |
7605А | 2 |
| 1Ц3У-250 | 7318А | 2 | 2007928 | 2 | 7318А 7520 |
1 1 |
7608 7611 |
2 2 |
7606 | 2 |
Зубчатое зацепление эвольвентное косозубое.
Подшипники регулируются винтами через нажимные шайбы. Винты фиксируются замками.
Неподвижные соединения уплотняются прокладками, а выходные валы – уменьшением зазоров между валами и закладными крышками.
В верхней части крышки редуктора имеется отверстие для залива масла, закрытое пробкой. Сливается масло через отверстие в нижней части корпуса закрытое пробкой. Уровень масла контролируется пробкой на верхней части редуктора. Смазка осуществляется из общей масляной ванны: деталей зацепления выходной и промежуточной ступеней – окунанием, а деталей зацепления входной ступени и подшипников – разбрызгиванием.
Для смазки редукторов применяются масла: Тап-15В, ТСп-10, ИРП-150, ИТП-200, ИТП-300.
| Типоразмер редуктора | 1Ц3У-160 | 1Ц3У-200 | 1Ц3У-250 |
|---|---|---|---|
| Ориентировочный объем масла, л | 6,2 (алюминий) | 12 | 18,4 |
| 3,7 (чугун) |
Основные параметры и размеры редукторов
А также значения номинальной нагрузки в непрерывном и повторно-кратковременных режимах:
| Наименование показателя | Типоразмер редуктора | ||||
|---|---|---|---|---|---|
| 1Ц3У-160 | 1Ц3У-200 | 1Ц3У-250 | |||
| Передаточные числа | 31,5 / 40 / 45 / 50 / 56 / 63 / 80 / 100 / 125 / 160 / 200 | 16 / 20 / 25 / 31,5 / 40 / 45 / 50 / 56 / 63 / 80 / 100 / 125 / 160 / 200 | |||
| Фактические передаточные числа | 32,00 / 41,34 / 44,00 / 50,40 / 56,85 / 65,09 / 82,66 / 100,80 / 130,19 / 158,76 / 205,06 | 33,21 / 40,04 / 45,67 / 49,60 / 55,06 / 64,00 / 80,08 / 99,20 / 128,00 / 158,72 / 204,80 | 15,60 / 20,12 / 24,34 / 31,23 / 40,34 / 46,02 / 48,80 / 58,00 / 61,93 / 77,50 / 100,10 / 121,95 / 157,50 / 191,86 | ||
| Номинальные крутящий момент на выходном валу при длительной работе с постоянной нагрузкой, Н-м | Непрерывный (Н) ПВ=100% | 1250 | 2500 | 5000 | |
| Допускаемый крутящий момент на выходном валу при работе редуктора в повторно-кратковременных режимах, Н-м | Тяжелый (Т) ПВ=40% | 1600 | 3150 | 6300 | |
| Средний (С) ПВ=25% | 2000 | 4000 | 8000 | ||
| Легкий (Л) ПВ=15% | 2500 | 5000 | 10000 | ||
| Допускаемая радиальная консольная нагрузка, приложенная в середине посадочной части вала, Н | Входного | Непрерывный (Н) ПВ=100% | 630 | 1250 | 2240 |
| Тяжелый (Т) ПВ=40% | 710 | 1400 | 2500 | ||
| Средний (С) ПВ=25% | 800 | 1600 | 2800 | ||
| Легкий (Л) ПВ=15% | 900 | 1800 | 3150 | ||
| Выходного | Непрерывный (Н) ПВ=100% | 9000 | 12500 | 18000 | |
| Тяжелый (Т) ПВ=40% | 10000 | 14000 | 20000 | ||
| Средний (С) ПВ=25% | 11200 | 16000 | 22400 | ||
| Легкий (Л) ПВ=15% | 12500 | 18000 | 25000 | ||
| Коэффициент полезного действия, %, не менее | 96 | ||||
| Масса редуктора, кг, не более | С чугунным корпусом | 110 | 190 | 335 | |
| С алюминиевым корпусом | 64 | - | - | ||
Редукторы цилиндрические с зацеплением Новикова Тип 1Ц2У и 1Ц2Н
Ряд редукторов обеспечивает крутящие моменты на выходном валу 8000...71000 Н-м в диапазоне передаточных чисел 8...50.
Корпус редуктора и крышка литые чугунные, соединены двумя коническими штифтами и болтами в горизонтальной плоскости.
Валы установлены в корпус редуктора на конических роликоподшипниках.
Зубчатые колеса в зависимости от габарита редуктора могут быть цельными или бандажированными.
Регулировка и уплотнение подшипниковых узлов осуществляется прокладками устанавливаемыми между прижимными крышками и корпусными деталями. Подвижные соединения уплотняются резиновыми манжетами.
Масло заливается через люк в крышке редуктора, сливается масло через отверстие в корпусе, закрытое пробкой. Для контроля уровня масла служит контрольная пробка или маслоуказатель.
Во избежание повышения давления при разогреве масла во время работы внутренняя полость редуктора сообщается с атмосферой через отдушину в смотровой крышке.
В редукторах предусмотрена как картерная, так и струйная смазка, осуществляемая через коллектор.
Габариты и присоединительные размеры редукторов
| Типоразмер | Awт | Awб | B | B1 | B2 | H | H1 | h | L | L1 | L2 | L3 | L4 | L5 | d | ||||||||||||||||||||||||||||||||||||||||
|---|---|---|---|---|---|---|---|---|---|---|---|---|---|---|---|---|---|---|---|---|---|---|---|---|---|---|---|---|---|---|---|---|---|---|---|---|---|---|---|---|---|---|---|---|---|---|---|---|---|---|---|---|---|---|---|
| 1Ц2У-315 | 315 | 200 | 395 | 260 | 318 | 685 | 335 | 35 | 1030 | 370 | 215 | 360 | 300 | 420 | 28 | ||||||||||||||||||||||||||||||||||||||||
| 1Ц2У-355 | 355 | 225 | 435 | 280 | 360 | 740 | 375 | 35 | 1160 | 425 | 250 | 400 | 320 | 440 | 28 | ||||||||||||||||||||||||||||||||||||||||
| 1Ц2У-400 | 400 |
|
|||||||||||||||||||||||||||||||||||||||||||||||||||||










