Редуктор В-200(Ф)-10-13-Квх-Квых-УЗ
Редуктор Ц3ВК(ф)-200-10-13-Квх-Квых-УЗ
В – тип редуктора (цилиндрический трехступенчатый вертикальный)
Ц3ВК(ф) – тип редуктора (цилиндрический трехступенчатый вертикальный с присоединительным фланцем)
200 – межосевое расстояние тихоходной ступени
(Ф) – исполнение с присоединительным фланцем на быстроходном валу
10 – передаточное число
13 – вариант сборки
Квх – конический входной вал
Квых – конический выходной вал
УЗ – климатическое исполнение
---Редукторы цилиндрические вертикальные в наличии:
---ЦДР-170-23 с эл.двигателями в сборе 4шт, 21.000р/шт
---А400-35.5 с хвостовиком, 1шт, 28.000р
---А400-35.5 с 2,2кВт или 3кВт, 1шт, 34.000р
---В400-18, 1шт- 27.000р
---В400-28, 5шт- 27.000р
---ц3вк125-20-16(26), аналог В125-20-16(26), 1шт-24.000р
---c3vkf125-16-37, аналог в125ф-16-37 и ц3вкф125-16-37(38), 1шт-24.000р
---c3vkf125-50-37, аналог в125-50-37 и ц3вк125-50-37(38), 1шт-24.000р
---c3vk160-31-26(16) аналог ц3вк160-31-26(16), аналог В160-31-26(16) -1шт-29.000р
---В160(Ф)-16-37, аналог ц3вк160(ф)-16-37, 1шт- 29.000р/шт Майкоп
---ВК350-14-23, 4шт-19.000р
---ВК350-50-13, 1шт-19.000р
---ВК475-28-33, 3шт-34.000р
---ВК550-125-11(22), 1шт-44.000р леб
---ВК550-125-13(23), 1шт-49.000р
---ВКУ765-20-12(21), 2011г.в., 1шт – 149.000р
---2ДР4 с 1,1кВт 1405М16/2ТР Болгария,1шт, 39.000р
---Редуктор вертикальный на передвижение старого образца передаточное 36 (40), 1шт, 35.000р
---Импортный с полым шпоночным валом передаточное 20 аналог 4ц3вк200-20 Майкоп, 1шт, 50.000р
---Flender трехступенчатый на ход крана серии ???, передаточное 20 аналог 4ц3вк250-20 Майкоп, 1шт, 60.000р
---Редукторы цилиндрические и вертикальные импортные Flender-Siemens
–--Flender четырехступенчатый серии D 09320 тип 10A2-450-100, передаточное 100, 1шт, 250.000р
Цилиндрические трехступенчатые вертикальные крановые редукторы предназначены для использования в подъемно-транспортном оборудовании. Они применяются в качестве привода механизмов передвижения крановых тележек и кранов, а также как привод общего назначения.
Условия применения цилиндрических крановых редукторов:
- нагрузка постоянная и переменная по значению;
- одного направления и реверсивная;
- работа длительная или с периодическими остановками;
- вращение валов в любую сторону;
- частота вращения входного вала не должна превышать 1800 об/мин.;
- атмосфера типов I и II по ГОСТ 15150-69 при запыленности воздуха не более 10 мг/м3;
- климатические исполнения: У, Т (для категорий размещения 1...3) и климатические исполнения УХЛ и О (для категории размещения 4) по ГОСТ 15150-69.
Редукторы типа ВК
Специальные крановые (цилиндрические трехступенчатые) редукторы типа ВК предназначены для использования в приводах механизмов передвижения грузоподъемных кранов. Редукторы предназначены для эксплуатации в макроклиматических районах с умеренным (климатическое исполнение У) и сухим и влажным тропическим (Т) климатом, категории размещения 2 по ГОСТ 15150.
Цилиндрические вертикальные крановые редукторы типа ВК рассчитаны на применение в следующих условиях:
- Вращение валов в обе стороны;
- Температура внешней среды от -40°С до +50°С;
- Неагрессивная среда, умеренные запыленность и влажность;
- Скорость вращения быстроходного вала не выше 1000 об/мин.
Основные технические характеристики
| Типоразмер редуктора | Передаточное число u | Мт, Н*м | Масса редуктора, кг | AwT | AwП | AwБ |
|---|---|---|---|---|---|---|
| ВК-350 | 10, 14, 31.5, 50 | 1500 | 73 | 130 | 130 | 90 |
| ВК-475 | 20, 28, 50, 112 | 2000 | 215 | 210 | 160 | 105 |
| ВК-550 | 18,31.5,71, 125 | 2800 | 279 | 220 | 190 | 140 |
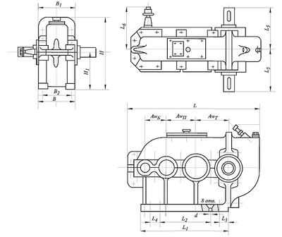
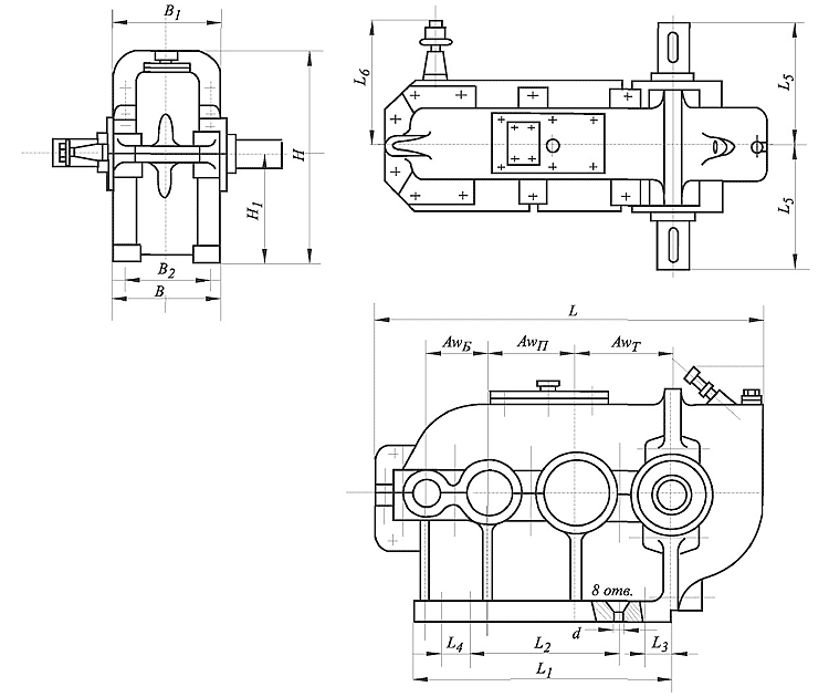
Габаритные и присоединительные размеры
| Типоразмер редуктора | L | L1 | L2 | L3 | L4 | L5 | L6 | В | B1 | B2 | H | H1 | d |
|---|---|---|---|---|---|---|---|---|---|---|---|---|---|
| ВК-350 | 558 | 280 | 185 | 50 | - | 180 | 197.5 | 220 | 220 | 185 | 298 | 160 | 17 |
| ВК-475 | 790 | 482 | 200 | 50 | 80 | 260 | 242.5 | 250 | 255 | 215 | 458 | 220 | 17 |
| ВК-550 | 880 | 557 | 320 | 50 | 70 | 280 | 257.5 | 280 | 285 | 245 | 488 | 235 | 17 |
Схемы сборки редукторов

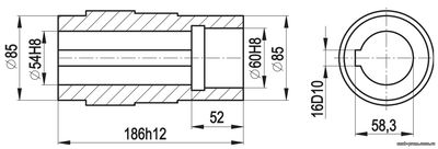
Размеры концов входных и выходных валов

| Типоразмер редуктора | Входной вал | Выходной вал | ||||||||||
|---|---|---|---|---|---|---|---|---|---|---|---|---|
| d1 | d2 | d3 | l | l1 | b | h | t | d4 | l2 | t1 | b1 | |
| ВК-350 | 30 | 35 | 28.9 | 88 | 60 | 8 | 7 | 4 | 35 | 55 | 38.5 | 10 |
| ВК-475 | 40 | 50 | 35.9 | 110 | 82 | 10 | 9 | 5 | 65 | 110 | 65 | 18 |
| ВК-550 | 40 | 50 | 35.9 | 110 | 82 | 10 | 9 | 5 | 80 | 110 | 85 | 22 |
Условное обозначение редуктора
Редуктор ВК - 550 - 31,5 - 33 - У3, где:
ВК - Тип редуктора
550 - Суммарное межосевое расстояние, мм
31,5 - Передаточное число
33 - Схема сборки
У3 - Климатическое исполнение и категория размещения по ГОСТ 15150-69
Редукторы типа А-400

Технические характеристики редуктора А-400
| Редуктор | А-400 |
|---|---|
| Передаточные числа | 20; 25; 35,5; 40; 50; 63 |
| Частота вращения входного вала | 1500 |
| Номинальный крутящий момент на выходном валу Н*м | 1350 |
| Масса (вес) редуктора, кг | 82 |
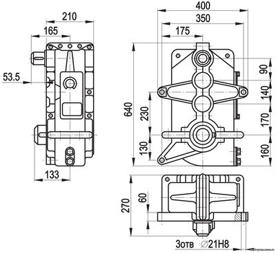
Габаритные размеры редуктора А-400
Размеры и диаметр выходного вала редуктора А-400
Объем заливаемого масла редуктора А-400 - 0,7 л
В корпус редукторов рекомендуется заливать следующие марки масел: ИРп-75, ИРп-150 ТУ 38101451-78; ИСп-65, ИСп-110 ТУ 38101293-78, масла зарубежного производства: Mobilgear 627, Mobil D.T.E 27, Wiolan IT 150, МО 150 или другие, имеющие кинематическую вязкость в пределах 35-150 мм2/с при температуре 50 °С.
Редукторы типа В-400
Технические характеристики редуктора В-400
| Редуктор | В-400 |
|---|---|
| Передаточные числа | 18; 20; 28; 40; 50 |
| Частота вращения входного вала | 1000 |
| Номинальный крутящий момент на выходном валу Н*м | 420 |
| Масса (вес) редуктора, кг | 106 |
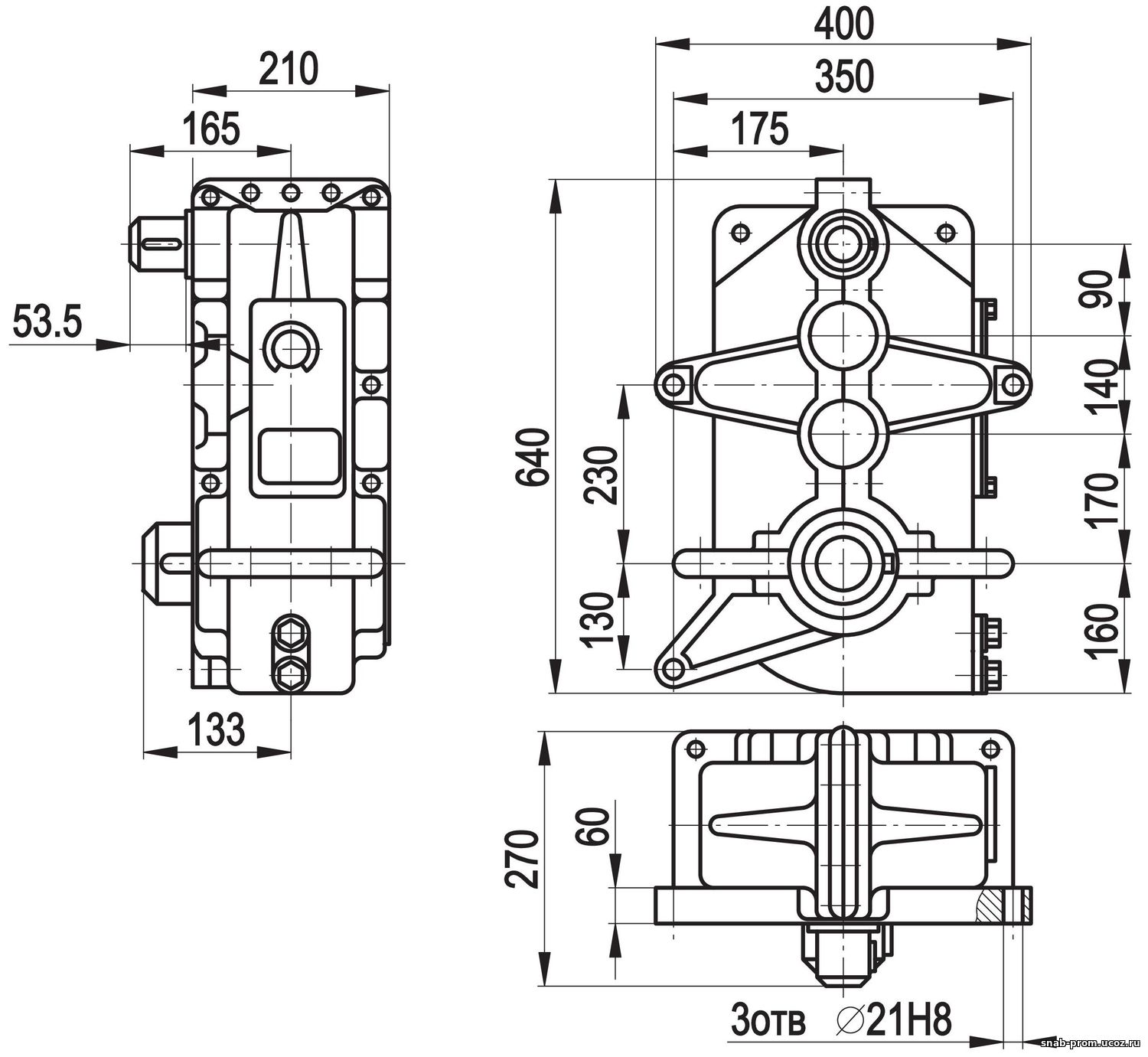
Габаритные размеры редуктора В-400
Размеры и диаметр выходного вала редуктора В-400














